Quarzoszillatoren an Mikrocontrollern
Der Quarzoszillator in Parallelresonanz einfach und trotzdem umfassend erklärt.
Keine undurchsichtigen Formeln, sondern begreifbare Modelle mit sinnvollen Vereinfachungen:
- Der Quarz verhält sich wie eine Induktivität, deren Wert sich automatisch einstellt.
- Der Parallelschwingkreis mit Lastkondensatoren wirkt wie ein Transformator.
- Verluste vom Serienwiderstand in einen Parallelwiderstand umgerechnet.
Also los…
Quarz im Parallelschwingkreis
Der Quarz selbst kann sehr brauchbar als RLC-Serienschwingkreis angesehen werden. Dessen Verständnis setze ich voraus. Das sieht dann so aus:

C0 ist die unvermeidliche Kapazität des Halters und der Anschlussbeinchen. Sie interessiert uns vorerst nicht und später schlage ich sie einfach der Lastkapazität zu.
Typische Werte sind z.B. für einen 4MHz-Quarz: C1 = 0,015pF (15 Femtofarad), L1 = 100mH, R1 = 75Ohm. Also sehr kleine "Kapazität" und sehr hohe "Induktivität".
Die Schwingungsgüte Q ist Omega • L1 / R1 oder 1 / (Omega • C1 • R1), und beträgt bei obigem Beispiel 35000, bei Quarzen höherer Frequenz ist auch eine halbe Million nicht unüblich.
Die Formel für die Serienresonanzfrequenz von C1, L1:
fS = (L1 • C1)-0,5 / 2 • Pi
Dieser Serienschwingkreis wirkt unterhalb seiner Resonanzfrequenz kapazitiv, darüber induktiv. Dieses induktive Verhalten oberhalb der Serienresonanz des Quarzes verwendet man in "Parallelresonanz"-Oszillatoren: zusammen mit einer externen Lastkapazität bildet man einen"äußeren" Parallelschwingkreis:

Anmerkung: ich verwende der Einfachheit CL für die gesamte Lastkapazität, die Parallelkapazität C0 des Quarzes sei darin enthalten.
Die wirksame Induktivität Leff des Quarzes steigt wegen des sehr großen Wertes von L1 oberhalb der Serienresonanz sehr schnell an. Und das ist der Grund, warum die Schaltung so frequenzstabil ist: die effektive Induktivität des Quarzes passt sich "automatisch" der Lastkapazität an und kompensiert sie. Die sich dabei ergebende Lastresonanzfrequenz liegt nur geringfügig über der Serienresonanzfrequenz:
fL = (L1 • C1 • CL / (C1 + CL))0,5 / 2 • Pi
fL hängt nur wenig von CL ab: beim oben genannten 4MHz-Quarz mit C1 = 15fF und einem CL von 15pF unterscheidet sich Frequenz um 500ppm von der Serienresonanzfrequenz. Bei 25pF nur noch 300ppm. Die 1,7fache Lastkapazität bewirkt also nur 0,02% Abweichung der Frequenz. Für eine Uhr ist es natürlich schon zu schlecht, sie ginge jeden Tag 17 Sekunden falsch, deshalb gleicht man hier CL ab. Für fast alle anderen Anwendungen ist eine solche Toleranz unerheblich.
Ich mache mir ab hier keine Gedanken über den Impedanzverlauf des Quarzes mehr, sondern gehe einfach davon aus, dass Leff jede Lastkapazität (in sinnvollen Grenzen) kompensiert, damit ist
Leff = 1 / (Omega2 • CL) = 1 / ((2 • Pi • f)2 • CL)
Damit liegt die effektive Induktivität des Quarzes etwa drei Dekaden über dem Wert von L1 aus dem Ersatzschaltbild des Quarzes. Für den o.g. 4MHz-Quarz mit 20pF Lastkapazität sind es z.B. knapp 80µH, bei höheren Frequenzen entsprechend weniger.
Also nochmal: der Quarz verhält sich in Parallelresonanz-Schaltungen wie eine Induktivität, deren Wert automatisch zur Lastkapazität passt. Übrigens: nicht nur in der Theorie kann man den Quarz durch eine Induktivität ersetzen, sondern auch in der realen Schaltung. Die Schaltung ist dann nicht mehr ganz so frequenzstabil, verhält sich aber prinzipiell gleich.
Bei der Gelegenheit modelliere ich die Verluste durch einen Parallelwiderstand RP statt dem Serienwiderstand R1. Das ist für einen Parallelschwingkreis viel praktischer (aber nur in der Nähe der Resonanzfrequenz gleichwertig):

Der Wert von RP ist umgekehrt proportional zu R1:
RP = |Z0|2 / R1
(Z0: Blindwiderstand von CL oder Leff).
Bei der Resonanzfrequenz heben sich die Blindwiderstände bekanntlich auf, und von außen "sieht" man nur noch RP.
Sehr wichtig: in diesem Schwingkreis fließt ein viel höherer Strom, als von außen (zum Ausgleich der Verluste) zugeführt werden muss. Oder anders gesagt: Z0 ist viel kleiner als RP. Wieder das Beispiel der o.g. 4MHz-Quarz mit 20pF Lastkapazität:
|Z0| = 1600 Ohm, RP = 34 kOhm, also etwa 21mal so groß. Somit ist auch der durch den Quarz und CL fließende Strom 21mal so groß wie der Strom, der von außen zum Erhalt der Schwingung zugeführt werden muss.
Oszillatorschaltungen
Gut, man kann also mit einem Quarz einen Parallelschwingkreis bauen, der trotz der ungenauen Kondensatoren sehr frequenzstabil ist, weil die Induktivität sich automatisch auf den richtigen Wert einstellt. Aber wie nutzt man das für einen einfachen Oszillator?
Dazu verändere ich das Modell weiter: Ich teile einen Teil der Lastkapazität auf zwei Kondensatoren auf, dadurch entsteht ein kapazitiver Spannungsteiler CA, CB:

Die offensichtliche Eigenschaft dieses Spannungsteilers: Wenn Knoten 3 unbelastet ist, verhalten sich die Spannungen über den Kondensatoren wie die Kehrwerte ihrer Kapazitäten.
Da die Ströme an den Knoten 1…3 viel kleiner sind als der Strom, der im Schwingkreis fließt (Güte!), ist eine interessante Vereinfachung möglich:
Auch bei belastetem Knoten 3 findet die Spannungsübersetzung statt!
Die Schaltung verhält sich also etwa wie eine angezapfte Spule (Spartransformator).
Die Impedanz von Knoten 3 ergibt sich aus der Parallelschaltung von CA und CB.
Die komplette Lastkapazität CL besteht jetzt aus der Serienschaltung von CA und CB, parallel zu CP:
CL = CP + 1 / (1 / CA + 1 / CB)
Übrigens: die Kapazitäten CA, CB und CP sind nicht als einzelne Bauteile vorhanden, sondern beinhalten auch C0 des Quarzes und die Anschlusskapazitäten des Verstärkers sowie die Leiterbahnkapazitäten!
Das führt zu folgendem Ersatzschaltbild für den Quarz mit den externen Kapazitäten:

Der Spannungsteiler CA, CB ist durch einen idealen Transformator ersetzt, die komplette Lastkapazität durch den Quarz (Leff) kompensiert. Sein Übersetzungsverhältnis ist:
Ü = (U2 - U1) / (U3 - U1) = 1 + CA / CB
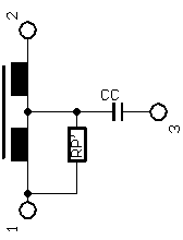
Der endliche Leitwert der Kondensatoren CA, CB ist durch CC ersetzt, dessen Wert entspricht der Summe von CA und CB (Parallelschaltung). Meistens kann man davon ausgehen, dass seine Impedanz klein gegenüber RP ist und CC vernachlässigen.
Da kann ich auch gleich noch den Parallelwiderstand RP "durch den Trafo schieben", er kommt mit dem Verhältnis 1/Ü2 auf die rechte Seite:

Falls die Lastkapazitäten gleich groß sind (Ü = 2), ist RP' also RP / 4. Das ist der Widerstand, den der Verstärkerausgang "sieht" (bei den üblichen Schaltungen).
Eine Wechselspannung zwischen 3 und 1 wird bei CA = CB mit doppelter Amplitude zwischen 2 und 1 erscheinen. Das würde für die Schwingungsbedingung schon reichen, aber das wäre ein Perpetuum Mobile. Knoten 2 muss hochohmig gepuffert werden, weil Knoten 3 viel niederohmiger ist. Das führt zum Colpitts-Oszillator:

Als Verstärker verwendet man i.d.R. einen einfachen Spannungsfolger, also Bipolartransistor oder FET. R0 ist seine Ausgangsimpedanz. Die Motorola 68HC12-Microcontroller verwenden übrigens diese Schaltung.
Der sehr oft verwendete Pierce-Oszillator wird in der gedrehten Ansicht leichter verständlich:

Die Wechselspannung an Knoten 1 erscheint an 2 invertiert. Der Verstärker muss also ebenfalls invertieren.
Achtung: die ganzen Modelle gelten nur bei der Resonanzfrequenz des Quarzes! Bei allen anderen Frequenzen ist der Quarz hochohmig, und es bleiben nur die Kapazitäten übrig.
Werte des Ersatzschaltbildes ermitteln
Beispiel: Pierce-Oszillator zwei 27pF-Kondensatoren, CMOS-Inverter, ggf. Sockel ergeben zusammen knapp 40pF an jedem Ende des Quarzes nach Masse (das sind CA und CB). Serienschaltung daraus ist dann knapp 20pF, dazu kommen noch die ca. 1pF…7pF des Quarzes selbst (CP). Also ist die Lastkapazität etwa 25pF.
Z0 ist somit ca. 1,6 kOhm. Serienwiderstand des Quarzes (R1) lt. Datenblatt max. 75 Ohm.
RP = Z02 / R1 = 34kOhm.
Übersetzungsverhältnis ist 2:1, damit ist RP' etwa 8,4 kOhm.
CC ist 80pF (CA + CB) und hat damit eine Impedanz von 500Ohm - vernachlässigbar gegenüber den 8,4kOhm.
Falls die Kapazitäten des Verstärkers nicht angegeben sind, kann man sie auch messen - vorzugsweise in der Schaltung (s.u.).
Dimensionierung der Kreisverstärkung
Die Kreisverstärkung muss größer als 1 sein, und zwar unter allen Umständen wie Serienstreuung, Temperaturdrift, Verschmutzung usw., aber es gibt auch einige Gründe, die Kreisverstärkung nicht allzu groß zu machen.
Die Amplituden-"regelung" geschieht meistens durch eine unlineare Begrenzung von Ausgangsspannung oder -strom des verstärkenden Elementes. Mit anderen Worten: der Verstärker ist übersteuert. Dadurch enthält sein Ausgangssignal auch Oberwellen, also Anteile N-mal der Grundfrequenz des Oszillators. Wie oben schon erwähnt, ist bei Frequenzen ungleich der Grundfrequenz der Quarz hochohmig, und es bleiben nur die Kapazitäten übrig. Diese höherfrequenten Signalanteile erzeugen also Ströme in den Lastkapazitäten (hauptsächlich CA) und richten dort mehrfaches Unheil an:
- Störungen (EMV),
- Verluste im Verstärker (Stromverbrauch),
- Anregung von Obertonfrequenzen des Quarzes.
Außerdem kann es erforderlich sein, die Verlustleistung im Quarz zu reduzieren, um seine Spezifikationen einzuhalten (s.u.).
Wie kann man also die Kreisverstärkung beeinflussen? Das verstärkende Element ist meistens vorgegeben:
- Beim Colpitts-Oszillator ist es ein Spannungsfolger, der eine Spannungsverstärkung von ca. 1 aufweist und eine bestimmte Ausgangsimpedanz hat. Seine Eigenschaften sind relativ stabil.
- Beim Pierce-Oszillator hat man i.d.R. ein CMOS-Inverter als Verstärker. Der hat im linearen Bereich (der für den Anlauf des Oszillators verantwortlich ist) eine recht hohe Spannungsverstärkung, aber auch einen hohen Ausgangswiderstand. Im unlinearen Bereich großer Amplituden (eingeschwungener Betrieb) aber einen kleinen Ausgangswiderstand und natürlich eine kleine Spannungsverstärkung. Ein solcher CMOS-"Verstärker" hat meistens große Serienstreuungen.
Zur Messung der Kennwerte gibt es ein Kapitel weiter unten.
Vor allem bei "hochwertigen" (schnell, niederohmig) CMOS-Invertern des Pierce-Oszillators kann ein Serienwiderstand am Ausgang des Inverters nützlich sein. Er bildet mit RP' einen Spannungsteiler und unterdrückt sehr stark die Wirkung von Oberwellenströmen durch CA.
Vorsicht: Die Ausgangskapazität des Inverters wird durch den Serienwiderstand vom Quarz-Kondensator-Netzwerk entkoppelt und deshalb nicht mehr durch die Induktivität des Quarzes kompensiert! Sobald man einen Serienwiderstand verwendet, bilden Ausgangswiderstand und Ausgangskapazität des Inverters (plus Schaltungskapazitäten) einen Tiefpass, der Phasenverschiebung und geringere Verstärkung bewirkt. Man sollte also speziell bei höheren Frequenzen die Verstärkung nachmessen, wenn man einen Serienwiderstand verwendet!
Im Beispiel des 4MHz-Quarzes reduziert ein Serienwiderstand von 2kOhm die Amplitude der Grundfrequenz nur um 20%. Oberwellenströme der dreifachen Grundfrequenz (Impedanz von 40pF CA ist 330Ohm) werden dagegen auf ein Siebtel reduziert (gegenüber sehr niederohmigem CMOS-Ausgang).
In manchen ICs (z.B. PIC16C711) ist allerdings der Inverter für den Oszillator in seiner Ausgangsimpedanz bereits so angepasst, dass kein externer Widerstand mehr erforderlich ist. Hier wäre er wegen der o.g. Tiefpasswirkung sogar schädlich.
In allen Fällen kann man CA und CB unterschiedlich groß machen und damit die "Verstärkung" des passiven Netzwerkes verändern. Allerdings verändert man dadurch auch den Wert des wirksamen Parallelwiderstandes RP', so dass die Wirkung geringer ausfällt als die Änderung des Kapazitätsverhältnisses.
Ein größerer CA bewirkt eine größere Spannungsverstärkung des passiven Netzwerkes, allerdings "sieht" der Verstärker auch einen wesentlich kleineren Verlustwiderstand RP', das ist also nur bei niederohmigen Verstärkern aussichtsreich. Die größte Gesamtverstärkung erhält man, wenn eine Impedanzanpassung vorliegt, also RP' so groß ist wie der Ausgangswiderstand R0 des Verstärkers (das kann in Grenzfällen nützlich sein). Das ist gegeben bei
CA / CB = (RP / R0)0,5 - 1
Dimensionierung der Lastkapazität
Der Quarzhersteller gibt einen Wert für die Lastkapazität an (der Händler unterschlägt diese Information oft). Das ist aber nicht der Wert, der zwingend für das Funktionieren wichtige ist, sondern nur derjenige, bei dem die Frequenz abgeglichen wurde. Ändert man die Lastkapazität, liegt "nur" die Frequenz um ein paar ppm "daneben" (siehe Formel weiter oben).
In der Hauptsache geht es bei der Dimensionierung der Lastkapazitäten um den Kompromiss zwischen Stabilität, Verstärkung und Quarzbelastung.
Verstärkung/Verluste: größere Lastkapazität bedeutet größere Verluste und somit kleineren RP'. Die Kapazität geht dabei jeweils quadratisch ein!
Verstärkungsstabilität: bei kleinen Lastkapazitäten wirken sich Änderungen der Kapazitäten von Verstärker (IC oder Transistor) stärker auf das Verhältnis CA/CB und somit die Übersetzung des passiven Netzwerkes aus.
Frequenzstabilität: der relative Abstand zwischen Serien- und Lastresonanz (Näherung aus der Formel für die Resonanzfrequenz für CL>>C1) ist
(fL - fS) / fS = C1 / (2 • CL)
Es liegt also etwa eine 1/x-Abhängigkeit vor. Bei kleiner Lastkapazität ist die Empfindlichkeit der Frequenz gegenüber Kapazitätsänderungen also groß. Das kann erwünscht sein (wenn man abstimmen will, große Ziehempfindlichkeit) oder unerwünscht (wenn man gute Genauigkeit ohne Abgleich und/oder Stabilität braucht). Meistens ist die Frequenzstabilität jedoch unerheblich.
Fazit: eine große Lastkapazität macht die Schaltung stabiler, erhöht aber auch die Verlustleistung im Quarz und reduziert ggf. die Verstärkung.
Verlustleistung im Quarz
Oft machen die Datenblätter keine Angaben zur Belastbarkeit. Telequarz geht bei fehlenden Angaben von 0,1mW aus und gibt als optimalen Leistungsbereich 50µW bis 150µW an. Wenn eine Belastbarkeit spezifiziert ist, dann sind es meistens 1mW oder 0,1mW (bei kleinen Gehäusebauformen).
Wie bestimme ich nun die Belastung des Quarzes in der realen Schaltung?
Viele Schriften sind in diesem Punkt extrem umständlich. Sie simulieren, stellen große (falsche) Formeln auf und messen mit teurem Equipment. Dabei ist es recht einfach: hauptsächlich fließt Strom im Schwingkreis, den der Quarz mit der Lastkapazität bildet. Vom Verstärker (Inverter) werden nur Verluste ausgeglichen, und in den Verstärkereingang sollte auch nicht viel fließen.
Wie hoch ist also dieser Strom? Der Leitwert der Lastkapazität ist mit Omega•C schnell berechnet. Die Amplitude kennen wir auch (Effektivwert ist Spitze-Spitze-Wert geteilt durch 2,83). Die Verlustleistung fällt am Serienwiderstand des Quarzes an (I2 • R), der Maximalwert des Serienwiderstandes ist hoffentlich aus dem Datenblatt bekannt.
Beispiel: 4MHz, 25pF Lastkapazität, 75Ohm Serienwiderstand, 5V Betriebsspannung, Pierce-Schaltung:
Wechselspannung zwischen 1 und 2 ist etwa 10Vpp und somit 3,5Veff.
Leitwert von 25pF ist bei 4MHz ca. 0,6mS, damit fließen 2,2mAeff in den Kondensatoren und somit auch durch den Quarz. An seinen 75Ohm verursacht das eine Verlustleistung von 0,3mW.
Es gibt noch eine alternative Methode: wenn man den äquivalenten Parallelwiderstand (s.o.) bereits ausgerechnet hat, ergibt U2 / RP' die Verlustleistung schneller. Kontrolle: (1,7V)2 / 8,4kOhm = 0,3mW.
Reduziert man die Lastkapazität auf die Hälfte, z.B. 15pF Kondensator plus 10pF parasitäre Kapazitäten (SMD, kein Sockel), sinkt die Verlustleistung auf ein Viertel. Wie oben schon erwähnt, wirken sich parasitäre Kapazitäten dann stärker aus.
Ein 8MHz-Quarz hat lt. Datenblatt max. 60Ohm Serienwiderstand und 0,1mW Belastbarkeit. Bei 20pF Lastkapazität, Pierce-Oszillator sowie 5V Betriebsspannung fließen dabei etwa 3,4mA im Quarz, Verlustleistung ist damit 0,7mW. Andersherum: nur bis 2V Betriebsspannung kann man diesen Quarz überhaupt gemäß seinen Spezifikationen betreiben. Der Hersteller sollte sein Datenblatt überarbeiten (nachdem ich das dem Lieferanten vorrechnete, hat man mir gesagt, dass der Quarz sicher 1mW aushält <g>).
Kennwerte von Quarz und Verstärker bestimmen
Messtechnik
Nur mit einem sehr kapazitätsarmen Tastkopf kann man messen, ohne die Schaltung nennenswert zu beeinflussen. Mit einem normalen Tastkopf (>10pF) verändert man das Verhalten so sehr, dass man besser gar nicht misst!
Wenn man wirklich messen will braucht man einen aktiven (FET-) Tastkopf, man kann ihn relativ leicht selbst bauen, siehe Artikel Einfacher Hochimpedanztastkopf
Um das Verhalten der offenen Schleife zu messen, bräuchte man wegen der extremen Schmalbandigkeit des Quarzes einen Netzwerkanalysator mit entsprechend hoher Frequenzauflösung und langer Sweep-Dauer. Oder einen sehr fein einstellbaren Frequenzgenerator und sehr viel Zeit. Einfache Abhilfe: den Quarz durch eine passende Induktivität ersetzen. Jetzt machen ein paar Promille hin oder her nichts mehr aus.
Quarz:
C0 ist meistens im Datenblatt angegeben oder man kann den Wert direkt messen. Oft ist die Kapazität gegenüber CL vernachlässigbar klein, typische Werte sind wenige pF, selten über 5pF.
Den Serienwiderstand kann man bestimmen, indem man einen Vorwiderstand einfügt und den Spannungsabfall daran misst. Damit erhält man den äquivalenten Parallelwiderstand. Das ist aber speziell bei höheren Frequenzen nicht einfach (siehe oben, "Serienwiderstand am CMOS-Inverter").
Mit der Formel für fL und einem einfachen Versuchsaufbau kann man C1 und L1 bestimmen, indem man die Frequenzänderung misst, die durch eine bekannte Veränderung der Lastkapazität entsteht. Manchmal erhält man die Angaben sogar aus dem Datenblatt (Serien- und Parallelresonanzfrequenz, Lastkapazität). Aber eigentlich braucht man C1 und L1 nur, wenn man Stabilität oder Ziehbereich ermitteln will.
Verstärker:
Vorsicht: die Verstärkung speziell des CMOS-Inverters kann erheblichen Serienstreuungen unterliegen. Oder der Hersteller macht einen Chipshrink, und alle Werte verändern sich komplett.
Das kann man messen:
- Eingangskapazität: über Spannungsabfall an einem Widerstand oder Resonanzfrequenz mit einer parallel geschalteten Induktivität.
- Ausgangskapazität: über Resonanzfrequenz mit einer parallel geschalteten Induktivität.
- Ausgangswiderstand: über Spannungsabfall an einem Lastwiderstand. Ausgangskapazität mit parallel geschalteter Induktivität kompensieren!
- Leerlaufverstärkung: Ausgangskapazität mit parallel geschalteter Induktivität kompensieren!
Alternativ zur gesonderten Messung von Leerlaufverstärkung und Impedanz kann es auch ausreichen, die Verstärkung bei der Belastung mit dem effektiven Parallelwiderstand RP' zu messen. Damit ist dann allerdings keine Optimierung der Kapazitäten, sondern nur eine Kontrolle möglich.
Korrekte Dimensionierung einfach kontrollieren
...ohne aufwendige Messtechnik (mit Vorbehalt - Messen ist besser).
Widerstand parallel zum Quarz einlöten (kurze Beinchen oder SMD). Der Oszillator sollte etwa 1/3 bis 1/4 von RP verkraften.
Keramikresonatoren
Verhalten sich im Prinzip wie Quarze, aber mit viel geringerer Güte und größeren Toleranzen.
Die Frequenz hängt viel stärker von der Lastkapazität ab. Das Ersatzschaltbild eines Murata CSTLS mit 4MHz Nennfrequenz hat z.B. nur ein L1 von 0,46mH und ein C1 von 3,84pF bei einem typischen Serienwiderstand von 9Ohm. Die Güte ist also nur ca. 1300 "typisch" gegenüber 35000 "worst case" beim Quarz. Anfangstoleranzen und Stabilität über Zeit und Temperatur liegen in der Größenordnung von 0,1% bis 1%.
Grenzen des Modells
Dieses Modell ist gut geeignet, die Komponenten des Oszillators richtig zu dimensionieren: Lastkapazitäten, Verstärkung des aktiven Elements, eventuell Serienwiderstand, sowie die Verluste im Quarz zu bestimmen.
Jedoch muss man sich klar darüber sein, dass das Ignorieren der Quarzgüte erhebliche Konsequenzen hat.
Für die stationäre Simulation der Oszillatorschaltung ist es außerordentlich nützlich. Man kann den "äußeren" LC-Oszillator beispielsweise mit Spice schnell und problemlos simulieren.
Das Anschwingverhalten der Schaltung kann damit jedoch aus dem gleichen Grund nicht ermittelt werden, da hierfür gerade die Güte des Quarzes ausschlaggebend ist (sowie das vorhandene Rauschen und weitere Parameter).
Ein Wert zum Staunen
Im Quarz wird kinetische in potentielle Energie und wieder zurück mit einer (Blind-) Leistung umgewandelt, die um den Faktor der Schwingungsgüte über der Verlustleistung im Quarz liegt. Das können einige zehn Watt sein, z.B bei einer Quarzgüte von 100.000 und 1mW Verlustleitung 100W mechanische (Blind-) Leistung!
Ja, wirklich! Für den eben gerechneten Beispielquarz (15fF 100mH 75Ohm), der aber nur eine Schwingungsgüte von 35000 aufweist, ist die "Spannung" an C1 und L1 (2,5MOhm Scheinwiderstand) bei 2mA gut 5000V. Also ist die Leistung im Kreis etwa 10W, und das entspricht (natürlich) den 0,3mW • Schwingungsgüte (35000).
Deshalb dauert es auch recht lange, bis der Quarzoszillator seine volle Amplitude erreicht hat.
Viel Energie ist es übrigens nicht, die da zwischen "Federspannung" und Schwungenergie hin- und herpendelt: 10W/4MHz=2,5µJ.
Literatur
- http://www.qsl.net/dk1ag/ bzw. http://www.axtal.com/ Quarz-Kochbuch (besonders Kapitel 2) von Bernd Neubig.
- AP-155 "Oscillators for Microcontrollers" von Intel (1983) ist noch zu finden.
- "Technische Einleitung Quarze" von Tele-Quarz Download englische Ausgabe. Ein gescannte Version des Vorgängerdokuments ist bei Axtal zu finden (Technische Infos → Einführung Schwingquarze).
Es gibt viele Application Notes zu dem Thema, die oft interessant, aber meistens unnötig kompliziert und nicht selten sogar richtig falsch sind, also Vorsicht!
Wer die nötigen Grundlagen noch nicht kennt, sollte sich mit Tietze/Schenk: "Halbleiterschaltungstechnik" und/oder Horowitz/Hill: "Art of Electronics" auseinandersetzen.
Änderungsgeschichte
- 2001-08-01 Ursprungsversion als Posting in de.sci.electronics
- 2002-03-29 erste Version mit neuen Bildern
- 2002-03-30 Texte vereinfacht, umgestellt und erweitert
- 2002-03-31 Hinweis auf Äquivalenz zur Induktivität deutlicher, offene Schleife
- 2002-04-02 Kosmetik (Dank an Thomas Schaerer!)
- 2002-04-07 "Realteil der Kreisverstärkung" war in der Form falsch.
- 2013-12 Kosmetik, Umzug ins CMS
Oliver Betz http://oliverbetz.de/
- Oliver Betz - Neuried / München
- Impressum
- Datenschutz